제품 장점
- 고효율:캐나다 545W 태양광 패널은 에너지 전환율이 21% 이상으로 매우 효율적입니다. 이는 태양으로부터 더 많은 에너지를 포착하여 사용 가능한 전기로 변환할 수 있어 다른 많은 태양광 패널 옵션보다 더 효과적이라는 것을 의미합니다.
- 양면 디자인:단면 디자인만 있는 기존 태양광 패널과 달리 캐나다 545W 태양광 패널은 양면입니다. 이는 양쪽에서 햇빛을 포착하여 에너지 출력을 높이고 전반적으로 효율성을 높일 수 있음을 의미합니다.

- 내구성과 신뢰성:캐나다의 545W 태양광 패널은 비, 눈, 강풍 등 혹독한 기상 조건을 견딜 수 있는 견고한 설계로 내구성이 뛰어나도록 제작되었습니다. 또한 신뢰할 수 있는 보증이 뒷받침되어 향후 수년간 신뢰할 수 있는 에너지를 제공할 수 있습니다.
- 환경 친화적 인:태양광 발전은 깨끗하고 지속 가능한 에너지원이며 캐나다의 545W 태양광 패널도 예외는 아닙니다. 배기가스를 배출하지 않으므로 탄소 배출량을 줄이고 환경을 보호하는 데 도움이 되는 탁월한 선택입니다.
- 다재다능하고 적응력이 뛰어남:캐나다 545W 태양광 패널은 주거용 주택부터 상업용 건물, 심지어 기존 전원에 접근할 수 없는 원격 위치까지 다양한 환경에서 사용할 수 있습니다. 또한 풍력이나 지열 난방과 같은 다른 재생 가능 에너지 시스템과 결합하여 효율성을 더욱 높일 수도 있습니다.

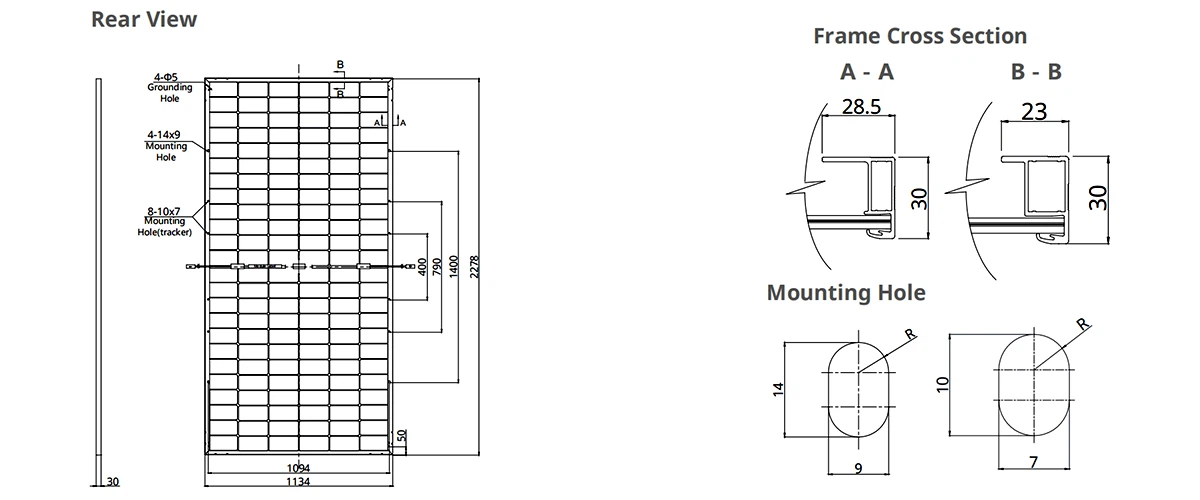
엔지니어링 도면(mm)

기계적 데이터
|
세포 유형 |
단결정 |
|
셀 배열 |
144 [2 X (12 X 6) ] |
|
치수 |
2278 ˣ 1134 ˣ 30mm(89.7 ˣ 44.6 ˣ 1.18인치) |
|
무게 |
32.3kg(71.2파운드) |
|
전면 유리 |
2.0mm 반사 방지 코팅이 적용된 열 강화 유리 |
|
후면 유리 |
2.0mm 열 강화 유리 |
|
액자 |
양극산화 알루미늄 합금 |
|
J-박스 |
IP68, 바이패스 다이오드 3개 |
|
케이블 |
4mm²(IEC), 12AWG(UL) |
|
커넥터 |
T6 또는 MC4 또는 MC4-EVO2 또는 MC4-EVO2A |
|
케이블 길이 (커넥터 포함) |
세로: 350mm(13.8인치)(+) / 250mm(9.8인치)(-) 또는 맞춤형 길이 |
|
팔레트당 |
36개 |

STC의 전기적 매개변수
|
|
최대. 힘 (피맥스) |
운영 중 전압 (VMP) |
운영 중 현재의 (꼬마 도깨비) |
회로 전압 (Voc) |
회로 현재의 (ISC) |
기준 치수 능률 |
|
|
CS6W-530MB-AG |
530W |
40.9V |
12.96A |
48.8V |
13.80A |
20.5% |
|
|
양면 게인 |
5% |
557W |
40.9V |
13.62A |
48.8 V |
14.49A |
21.5% |
|
10% |
583W |
40.9V |
14.26A |
48.8 V |
15.18A |
22.6% |
|
|
20% |
636W |
40.9V |
15.55A |
48.8 V |
16.56A |
24.6% |
|
|
CS6W-535MB-AG |
535W |
41.1V |
13.02A |
49.0V |
13.85A |
20.7% |
|
|
양면 게인 |
5% |
562W |
41.1V |
13.68A |
49.0V |
14.54A |
21.8% |
|
10% |
589W |
41.1V |
14.34A |
49.0V |
15.24A |
22.8% |
|
|
20% |
642W |
41.1V |
15.62A |
49.0V |
16.62A |
24.9% |
|
|
CS6W-540MB-AG |
540W |
41.3V |
13.08A |
49.2V |
13.90A |
20.9% |
|
|
양면 게인 |
5% |
567W |
41.3V |
13.73A |
49.2V |
14.60A |
21.9% |
|
10% |
594W |
41.3V |
14.39A |
49.2V |
15.29A |
23.0% |
|
|
20% |
648W |
41.3V |
15.70A |
49.2V |
16.68A |
25.1% |
|
|
CS6W-545MB-AG |
545W |
41.5V |
13.14A |
49.4V |
13.95A |
21.1% |
|
|
양면 게인 |
5% |
572W |
41.5V |
13.80A |
49.4V |
14.65A |
22.2% |
|
10% |
600W |
41.5V |
14.46A |
49.4V |
15.35A |
23.2% |
|
|
20% |
654W |
41.5V |
15.77A |
49.4V |
16.74A |
25.3% |
|
|
CS6W-550MB-AG |
550W |
41.7V |
13.20A |
49.6V |
14.00A |
21.3% |
|
|
양면 게인 |
5% |
578W |
41.7V |
13.87A |
49.6V |
14.70A |
22.4% |
|
10% |
605W |
41.7V |
14.52A |
49.6V |
15.40A |
23.4% |
|
|
20% |
660W |
41.7V |
15.84A |
49.6V |
16.80A |
25.5% |
|
*1000W/m2의 조사량, 스펙트럼 AM 1.5 및 셀 온도 25도의 표준 테스트 조건(STC)에서.
*양면 게인(Bifacial Gain): 표준 테스트 조건에서 전면의 파워와 비교한 후면의 추가 게인입니다. 장착(구조, 높이, 경사각 등)과 지면의 알베도에 따라 달라집니다.

NOCT의 전기적 매개변수
|
|
최대. 힘 (피맥스) |
운영 중 전압 (VMP) |
운영 중 현재의 (꼬마 도깨비) |
회로 전압 (Voc) |
회로 현재의 (ISC) |
|
CS6W-530MB-AG |
397W |
38.3V |
10.38A |
46.1V |
11.13A |
|
CS6W-530MB-AG |
401W |
38.5V |
10.42A |
46.3V |
11.17A |
|
CS6W-530MB-AG |
405W |
38.7V |
10.47A |
46.5V |
11.21A |
|
CS6W-530MB-AG |
409W |
38.9V |
10.52A |
46.7V |
11.25A |
|
CS6W-530MB-AG |
412W |
39.1V |
10.55A |
46.9V |
11.29A |
*공칭 모듈 작동 온도(NMOT), 조사량 800W/m2, 스펙트럼 AM 1.5, 주변 온도 20도, 풍속 1m/s에서.
기술적인 매개변수
|
작동 온도 |
-40도 ~ +85도 |
|
최대. 시스템 전압 |
1500V(IEC/UL) 또는 1000V(IEC/UL) |
|
모듈 화재 성능 |
유형 29(UL 61730) 또는 클래스 C(IEC61730) |
|
최대. 시리즈 퓨즈 등급 |
30 A |
|
애플리케이션 분류 |
클래스 A |
|
전력 공차 |
0 ~ + 10 W |
|
전력 양면성 |
70 % |
|
온도 계수(Pmax) |
-0.34%/도 |
|
온도 계수(Voc) |
-0.26%/도 |
|
온도 계수(Isc) |
0.05%/도 |
|
공칭 모듈 작동 온도 |
41±3도 |

브랜드 협력
Jingsun은 수많은 최고의 태양광 기업과의 긴밀한 전략적 협력을 발표하게 된 것을 자랑스럽게 생각합니다. 이 파트너십을 통해 우리는 전문 지식과 자원을 결합하여 태양 에너지 기술 개발을 가속화할 수 있습니다. 함께 협력함으로써 우리는 더 나은 미래를 위한 지속 가능한 청정 에너지 솔루션을 제공한다는 공통 목표를 달성할 수 있습니다. 또한 이번 협력을 통해 우리는 도달 범위와 영향력을 확장하고 최첨단 태양광 제품과 서비스를 통해 더 많은 고객에게 다가갈 수 있을 것입니다. 우리는 이 새로운 노력에 대해 매우 기쁘게 생각하며 이것이 태양광 산업에 미칠 긍정적인 영향을 기대합니다.

자주하는 질문
Q: 캐나다 545W 양면 태양광 패널의 크기는 얼마입니까?
Q: 이 패널의 양면 특성은 어떻게 작동합니까?
Q: 캐나다 545W 양면 태양광 패널은 어떤 종류의 응용 분야에 사용할 수 있습니까?
Q: 캐나다 545W 양면 태양광 패널은 어떻게 설치되나요?

인기 탭: cs6w 545ms, 중국 cs6w 545ms 제조업체, 공급업체, 공장



